当前所在位置: 首页 > 麦克威资讯 > 行业新闻

麦克威资讯 news

24小时咨询电话

18080956725

电话:028-82630900

手机:13881905158

传真:028-82630433

邮箱:mcwell@qq.com

办公:成都市青羊区光华东三路489号西环广场2栋14层

厂址:成都市金堂准口工业区节能大道

圆拱型采光排烟天窗图集赏析

来源:麦克威    浏览:  发布日期:2018-05-03 10:49:59 < 返回列表

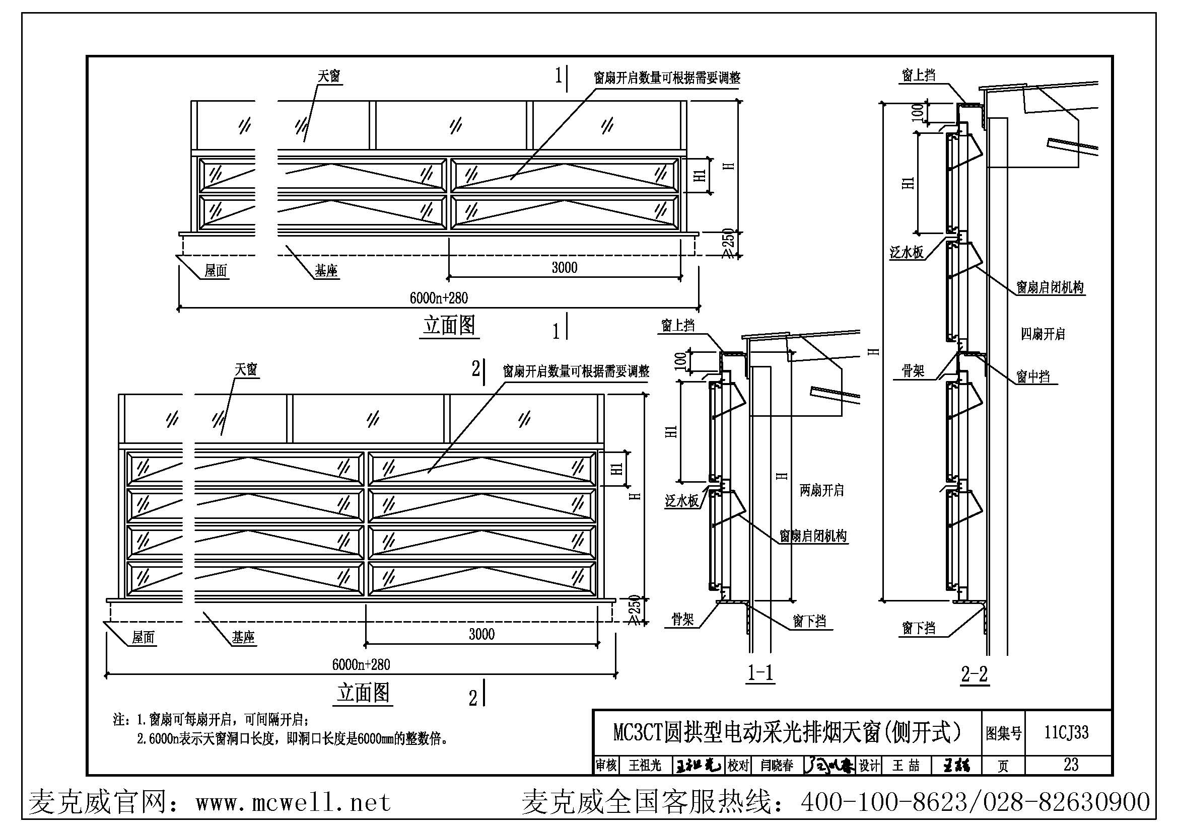
       电动采光排烟天窗图集主要参考最新的国标图集11CJ33《通风采光天窗》,该图集是四川麦克威主编的国标图集,里面主要介绍了三种圆拱型采光排烟天窗和一种固定式排烟天窗。分别为C3CT圆拱型排烟天窗(侧开式)、MC3CT圆拱型排烟天窗(侧开式)和C3ST圆拱型排烟天窗(上开式)等三种类型,下面是采光排烟天窗图集的设计图纸及采光排烟天窗规范。

       C3CT圆拱型采光排烟天窗(侧开式)适用于经常需要开启通风换气、有采光需求的场所。
采光排烟天窗图集规范

       MC3CT圆拱型采光排烟天窗(侧开式)比较适合用于通风需求较大的场所,如人流量较大的汽车站;
采光排烟天窗图集规范

       C3ST圆拱型排烟天窗(上开式)适用于较少通风需求,并且采光需求很大的场所。
采光排烟天窗图集规范

       C3G固定圆拱型采光排烟天窗应用于只采光不通风的场所,同时要求该设备具有绝佳的防水效果。
采光排烟天窗图集规范

       四川麦克威的采光排烟天窗不再仅仅是在工业厂房应用,如今在大型商场、室内泳池、露天阳台等场所也得到了广泛运用,关于采光排烟天窗的资讯访问网站(www.mcwell66.com)或者拨打采光排烟天窗电话:028-82630900、400-100-8623。





 

明星产品推荐 Product recommendation